YXPD-BPHK-BPG提升机专用高压变频器
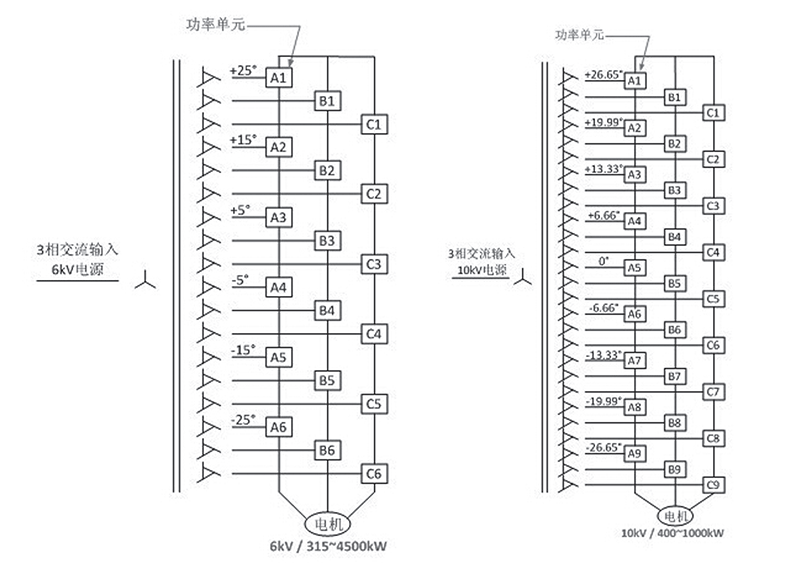
可与煤矿、有色金属矿井的单绳、多绳变频矿井提升机配套使用。适用于大功率,高压的各种矿井提升机场合, 6KV系列, 10K系列。主要有高压开关柜,移相变压器柜,功率单元柜和控制柜。与YXPD-BPHK ZKT智能网络化主控台配套使用,形成完美的网络化智能控制。
所属分类:
电控系统系列
咨询热线:
产品描述
产品用途、适用范围
可与煤矿、有色金属矿井的单绳、多绳变频矿井提升机配套使用。适用于大功率,高压的各种矿井提升机场合, 6KV系列, 10K系列。主要有高压开关柜,移相变压器柜,功率单元柜和控制柜。与YXPD-BPHK ZKT智能网络化主控台配套使用,形成完美的网络化智能控制。

高压变频器的功率单元运力图

高压变频器原理图
产品性能
1、高压变频器采用了重过载的元器件配置,具有1.2倍/120S, 1.6倍/20S的高过载能力,尤其能够在低速下输出高转矩,完全满足矿井提升机对启动转矩的要求。
2、高压变频器采用100%功率PWM整流有源前端,变频器的最大回馈功率与最大输出功率相同,最大制动转矩达到电机额定转矩的2倍。在需要时,能够快速制动绞车,最大限度提高系统可靠性。
3、采用先进的电机控制算法,能够在1秒内完成对电机转速的识别和跟踪。在提升机机械制动失效时,能够快速捕捉到高速运动的电机并施加快速有效的电气制动,避免罐笼高速冲击井架导致重大损失。
4、采用高性能的编码器速度闭环矢量控制技术,最大限度地提高输出转矩,实现低速大转矩启动,快速加减速,以及精确,平稳的速度控制,提高设备运行的平稳性。
5、标配编码器接口卡,该接口卡具有编码器信号掉线检测功能,当信号掉线时,可进行信号重构,并输出轻故障或重故障报警信号,防止造成过流故障意外停车。
6、功率单元模块化结构,功率单元模块之间可以互换,维护简单,不影响设备运行,功率单元与主控制板采用光纤通讯完全电器隔离,抗干扰性能强。
7、友好的人机界面操作系统,全面的故障检测电路,及时显示准确报警保护和记录故障并保存。
8、具备远程监控,远程诊断接口,接入互联网,打开授权即可远程访问,来检测故障原因,修改运行参数等。






